Em calha TH-35.
Aplicação
Os interruptores eletrónicos bi-estáveis permitem ao utilizador atuar sobre a iluminação ou outros aparelhos de várias localizações através de botoneiras de controlo ligadas em paralelo.
Funcionamento
O receptor é ativado pelo impulso de corrente através da atuação de qualquer botão de pressão ligado ao relé. O recetor é desativado por outro impulso ou após um tempo predefinido. Pressionando duas vezes o botão de pressão dentro de um segundo ativa o modo de luz contínua até que outro impulso seja enviado para desativar o relé.
O relé não memoriza a posição do contacto do relé, i. e., em casos de falha de alimentação, e subsequente retoma da mesma, o contacto do relé ficará na posição desligado. Esta solução previne a atuação automática dos recetores a controlar que poderá acontecer sem a devida supervisão após um longo período de falta de alimentação.
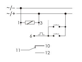
Diagrama
230V

24V

Atenção
BIS-411 230V está adaptado para funcionar com botões de pressão equipados com lâmpada. 
Atenção
BIS-411 24V está adaptado para funcionar com botões de pressão equipados com lâmpada. 
Dados Técnicos
| alimentação BIS-411 230V | 230V AC |
| BIS-411 24V | 24V AC |
| corrente máxima | <16A |
| contacto | separado 1P |
| corrente de controlo | <1mA |
| atraso de ligação | 0,1÷0,2sec |
| indicador de alimentação | LED verde |
| indicador de contacto activado | LED vermelho |
| consumo | 0,8W |
| ligação | terminal de parafuso 2,5mm² |
| temperatura de funcionamento | -25÷50°C |
| dimensões | 1 módulo (18mm) |
| fixação | em calha TH-35mm |





